芯城品牌采购网 > 品牌资讯 > 全部资讯

基于AT89C51单片机实现串行总线芯片测试实验平台的设计-芯城品牌采购网

应用串行接口芯片扩展系统时,在初步选择了串行接口的芯片后,为了对芯片的资源更好地了解,开发者一般在系统设计前搭建一个简单的硬件电路并编制相应的软件对其测试,待性能验证后再确定最终的设计方案。本文根据这一需要设计了一个用于串行总线芯片测试的实验平台。该平台以PC机为人机接口、采用单片机产生芯片串行通信时序。应用这一平台可以大大简化芯片使用前的测试过程。这一平台也为单片机串行扩展的初学者提供了快捷的学

芯城品牌采购网

7071

EMC开关节点布局注意事项-芯城品牌采购网

本文将介绍最基本的开关节点波形,助您了解如何在PCB路由时确定适当的开关(SW)节点走线尺寸,并了解开关节点中电场(E场)和磁场(H场)产生的近场耦合效应。开关节点波形在开始这部分关键走线的PCB设计之前,首先要了解开关节点上的电流和电压波形。尤其需要在布局之前先查看和了解开关电压、时变电流和开关频率的波形。我们以MPS的降压(buck)变换器MPQ4430为例进行说明(见图1)。降压变换器MPQ

芯城品牌采购网

5863

聊聊汽车级光伏驱动器和分立MOSFET-芯城品牌采购网

工程师已经研究和开发了可以代替机械继电器的固态继电器设备。与机械继电器相比,这些固态继电器具有更高的可靠性,更快的切换时间,没有切换弹跳以及更小的尺寸。但是随着这些优点的出现,带来了使设计人员和用户不愿使用固态继电器的缺点。诸如较高的成本和较高的相对导通电阻的缺点。本文讨论了汽车级光伏驱动器和分立MOSFET,以形成光隔离的固态继电器。借助光伏驱动器,设计人员可以从广泛的汽车级MOSFET产品组合

芯城品牌采购网

8183

将钽电解电容器换成片状多层陶瓷电容器,这样做的理由主要有两个。是可靠性问题。钽电解电容器存在发生短路故障时导致冒烟和起火的可能性。出现冒烟和起火现象时,对于配备钽电解电容器的电子产品而言是致命的。另一个是原材料钽的问题。钽属于稀有金属,其产地在全世界屈指可数。因此,如果产地出现政治动荡等,就会陷入价格暴涨、供给不稳定的局面。只要原材料是稀有金属,钽电解电容器用户就不可能完全避免此类风险。而解决这些

芯城品牌采购网

5881

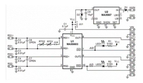
基于MAX6603信号调理器的PC温度测量系统的步骤-芯城品牌采购网

本应用笔记是基于PC的温度测量系统的参考设计。它使用MAX1396和MAX6603EVKIT,MAXQ2000微控制器和MAX6603信号调理器。该设计提供了一种简便的方法,无需复杂的转换公式即可从MAX6603获取温度读数。提供了原理图,框图和软件。简介该参考设计概述了如何使用MAX1396,MAX6603EVKIT和MAXQ2000评估基于MAX6603信号调理器的基于PC的温度测量系统的步骤

芯城品牌采购网

7607

朗科旗舰级内存ZRGBDDR5再添新规格,频率高达8000MHz,即将量产上市!-芯城品牌采购网

随着Intel和AMD对DDR5的全面支持,以及新平台兼容性的优化提升,市面上DDR5产品如雨后春笋般涌现,更高的频率、更强的性能也开始成为各大厂商角力的焦点。此前,朗科发布了旗舰款Z系列DDR5内存,经过研发团队对DDR5潜力不断地挖掘,在6200MHz的基础上迎来更新,推出了高达8000MHz的规格频率,将于明年初正式上市。除了DDR5-8000MHz频率外,朗科Z系列还新增了DDR5-760

芯城品牌采购网

9223

设计一个自动频率校对反射式红外感应器的资料说明-芯城品牌采购网

有一些网友学不好LM567的锁相环电路(主要是指我自己),主要是总是跑频,下面是一个网友发给我的电路,我感觉非常的好,就发上来分享了。本电路的巧处就在于它用的LM567的内部检测电路作频率发生,使电路和主频自动跟随校对。本电路可以用在自动干手机,无触点开关,距离感应器件上。原图有一些值没有写,我经过试验得出了实用的值,已经标在电路中。电路图:原理图下面是作者自己的话:当D2接收到D1发射出经反射物

芯城品牌采购网

6342

电源开关上的这两个标识究竟代表什么?-芯城品牌采购网

几乎所有的电器、灯具和插座上只要带有电源开关必然会出现“|”和“O”两个符号如果只看符号判断“|”和“O”到底代表什么含义呢?你能分清哪个是电路联通哪个是电路断开吗?很多人认为“O”是通电,“|”是断电因为英语里开是OPEN很多开关也用ON代表“开”进阶版的认为“|”和“O”这两个符号是英文的“I/O”两个字母是input/output的缩写翻译过来就是输入和输出所以,当然“|”是通电,“O”是断

芯城品牌采购网

6222

配套的直流微型驱动和运动控制器-芯城品牌采购网

选择合作伙伴要谨慎。体积小、功率大的直流电机在集成化程度不断提高的系统研发过程中发挥了至关重要的作用。从医疗和实验室技术到航天、机器人、光学和光电学、以及工业机械和设备领域,这类电机在众多应用领域内都是理想的驱动技术。但只有在和减速箱、编码器以及运动控制器等其它部件组合的情况下,它们才能真正构成适合应用需求的驱动或定位系统。为了确保运行可靠性,正确选择配套部件至关重要。所有部件都必须与电机兼容,并

芯城品牌采购网

7174

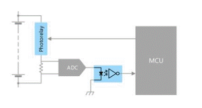
浅谈新能源汽车电气系统的TLX9175J车规级光继电器-芯城品牌采购网

电气系统一直是汽车安全中比较敏感的单元,很多常见小问题均因电气系统的可靠性不能满足而产生。对于电动汽车而言,由于涵盖了更多的功能单位,包括牵引逆变器、温度控制和加热系统以及车载充电器,这些系统在完全不同的电压水平下运行,因此必须进行电气隔离(Galvanicisolation)。从过往经验来看,用于数据传输的电气隔离是通过光学技术借助LED源和光电二极管接收器实现的。但是,在以电动汽车为代表的汽车

芯城品牌采购网

8025

改进JBS结构以降低泄漏电流和提高浪涌电流能力-芯城品牌采购网

JBS结构降低泄漏电流(IR)SBD是由半导体与金属的接合形成的。由于半导体和金属之间的势垒不同,它起着二极管的作用。由于半导体-金属界面上的分子结构可能是不连续的,因此可能会出现表面不规则、晶体缺陷或其它异常现象。当强电场作用于含有这些缺陷的半导体-金属界面时,会有所谓的泄漏电流(IR)流动。在具有传统结构的SBD中,耗尽区延伸到半导体侧(如下所示),导致电荷(或电子)产生的电场在半导体-金属界

芯城品牌采购网

6708

TD-SCDMA系统的基带处理流程如图1所示。其中,传输信道编码复用包括以下一些处理步骤:CRC校验、传输块级联/分割、信道编码、无线帧均衡、第1次交织、无线帧分割、速率匹配、传输信道复用、比特扰码、物理信道分割、第2次交织、子帧分割、物理信道映射等,如图2所示。图1TD-SCDMA基带处理框图图2传输信道编码复用结构在图2中,每个传输信道(TrCH)对应一个业务,由于各种业务对时延的要求不同,所

芯城品牌采购网

8228

12月14日,联电发布公告称,董事会通过了资本预算执行方案,预计投资金额达324.17亿元新台币(约人民币73.85亿元),以供产能建设要求。据中国台湾媒体《联合报》报道,将主要用于建设中国台湾南科晶圆12A厂P6厂区及新加坡P3厂。联电指出,南科晶圆12A厂P6厂区与新加坡P3厂共计将投资100亿美元,逾新台币3000亿元,将于3、4年内完成投资。其中,新加坡P3厂位于白沙晶片园(PasirRi

芯城品牌采购网

6011

万润科技拟3150万元参设合资公司,布局中高端存储半导体领域-芯城品牌采购网

12月15日,万润科技发布公告称,结合自身经营发展需要,公司与武汉润福、武汉润禄、武汉润金、武汉润鸿、武汉润赢、武汉润意共同投资设立湖北长江万润半导体技术有限公司(简称“万润半导体”)。根据公告,万润半导体的注册资本为3500万元,其中万润科技以自有资金出资3150万元持有万润半导体90%的股权;武汉润福以自有资金出资63万元持有万润半导体1.8%的股权;武汉润禄以自有资金出资63万元持有万润半导

芯城品牌采购网

7454

据“意法半导体中国”官微消息,意法半导体(以下简称“ST”)总裁兼首席执行官Jean-MarcChery和全球市场营销总裁JeromeRoux于2022年11月重启了对中国的客户的拜访。消息指出,在此次的中国之行中,Jean-MarcChery、JeromeRoux、意法半导体执行副总裁、中国区总裁曹志平等ST高管与多位来自汽车和工业领域的战略客户进行了深入交流,包括长安汽车、赛力斯汽车、宁德时代

芯城品牌采购网

7684

疫情、高通货膨胀影响之下,消费电子市场持续萎靡,半导体市场需求疲软,产业迈入下行周期。不过,半导体寒冬之下,仍有一些细分领域需求有望慢慢回暖迹象,厂商也在逆势扩产,比如被动元件。订单回暖,被动元件开启补货潮近期,媒体报道被动元件市场需求有望回暖。此前,被动元件行业启动减产、加快库存调整,伴随IC零部件长短料问题解决,近期客户拉货动能复苏,带动被动元件大厂订单回暖。业界透露,伴随订单回暖,被动元件已

芯城品牌采购网

7672

在芯片制造过程中,可以分为主产业链和支撑产业链:主产业链包括芯片设计、制造和封测;支撑产业链包括IP、EDA、装备和材料等。其中,高昂的成本主要由人力与研发费用、流片费用、IP和EDA工具授权费等几部分组成。同时芯片制造环节涉及到的晶圆厂投资、晶圆制造以及相关设备成本也将会分摊到芯片整体成本之中。因此,在工艺制程的演进下,半导体芯片的研发成本也随之飙升。据Marvell高管近日在一场分析会上介绍,

芯城品牌采购网

6933

近日,应用材料宣布,计划在美国的创新基础设施上投资数十亿美元,并从现在到2030年扩大其全球制造能力。应用材料计划在加州森尼维尔建立下一代基础半导体技术和工艺设备研发中心,其规模将取决于当地政府的支持。这项投资计划于2023年初在硅谷启动。此外,为配合扩大全球基础设施投资,应用材料于12月22日在新加坡区域中心举行扩建破土典礼。新加坡是应用材料公司在美国以外最大的工厂所在地。应用材料表示,将投资加

芯城品牌采购网

7245

国产存储厂商的进阶之路!-芯城品牌采购网

世界半导体贸易统计组织(WSTS)统计的数据显示,2021年全球半导体存储器市场规模约为1538亿美元。目前,存储市场长期被国外巨头垄断,三星、美光、SK海力士三大存储厂商占据全球近80%的市场份额。而中国尽管作为全球市场规模最大的集成电路市场,但存储器产品大部分却长期依赖进口。近年来,在国产化浪潮趋势推动下,一批国内存储厂商开启了资本市场之路。4家厂商IPO进展顺利公开资料显示,2021年以来,

芯城品牌采购网

7458

近日,多个半导体产业项目迎来新进展,涉及项目包括浙江丽水中欣晶圆12英寸硅片外延项目、西安第三代化合物半导体芯片与器件产业化项目、国芯RISC-V芯片架构总部等12个集成电路产业项目、至纯科技加码半导体湿法设备模块及零部件研发等项目、积塔碳化硅6英寸线等产业链重点项目。总投资40亿,中欣晶圆12英寸硅片外延项目正式竣工投运据丽水经济技术开发区消息,12月9日,浙江丽水中欣晶圆12英寸硅片外延项目举

芯城品牌采购网

7106

日前,国内存储行业迎来重大喜讯,由至讯创新完全自主研发的国内首款中小容量高可靠性19nm2DNAND闪存芯片研制成功,预计将于明年年初全面投放市场。这是国内存储行业的跨越式突破,技术水平已赶超国际一流。这是国内首款全自研、运用先进工艺的中小容量高可靠性19nm2DNAND闪存芯片。产品将覆盖512Mb、1Gb和2Gb容量,提供1.8V和3.3V电压,并采用业界主流串行接口SPI和WSON封装。其即

芯城品牌采购网

8487

突破!复旦团队发明晶圆级硅基二维互补叠层晶体管-芯城品牌采购网

传统集成电路技术使用平面展开的电子型和空穴型晶体管形成互补结构,从而获得高性能计算能力。其密度的提高主要通过缩小单元晶体管的尺寸来实现。例如7nm节点以下业界使用极紫外光刻技术实现高精度尺寸微缩。极紫外光刻设备复杂,在现有技术节点下能够大幅提升集成密度的三维叠层互补晶体管(CFET)技术价值凸显。然而,全硅基CFET的工艺复杂度高,且性能在复杂工艺环境下退化严重。因此,研发与我国主流技术高度兼容的

芯城品牌采购网

8841

近日,第三代半导体氮化镓外延领军企业晶湛半导体宣布完成数亿元C轮融资,这是继今年3月完成B+轮数亿元战略融资以来的又一轮融资。本轮增资由蔚来资本、美团龙珠领投,华兴资本旗下华兴新经济基金、欣柯资本等跟投,老股东歌尔微电子、三七互娱等继续加码。近年来,氮化镓材料不仅在电力电子和新型显示等领域的应用呈现出爆发式增长。晶湛半导体长期专注于高质量GaN材料的研发和产业化,已建成国内规模领先的GaN外延材料

芯城品牌采购网

7382

12月12日,美光宣布其LPDDR5X移动内存正持续受到市场青睐,并已正式搭载于小米最新款旗舰智能手机Xiaomi13。Xiaomi13是全球首批采用LPDDR5X的智能手机之一,其峰值速率高达每秒8.533Gb。美光最新版本LPDDR5X专为高端和旗舰智能手机设计,峰值速率比上一代LPDDR5提升33%。与去年秋季所实现的每秒7.5Gb速率相比,该款满血版LPDDR5X速率进一步提升,为需要高性

芯城品牌采购网

9613

中国科大在氧化镓半导体器件领域取得重要进展-芯城品牌采购网

近日,第68届IEEEInternationalElectronDevicesMeeting(IEDM,国际电子器件大会)在美国旧金山召开。IEEEIEDM是一个年度微电子和纳电子学术会议,是报告半导体和电子器件技术、设计、制造、物理和建模等领域的关键技术突破的世界顶级论坛,其与ISSCC、VLSI并称为集成电路和半导体领域的“奥林匹克盛会”。中国科大国家示范性微电子学院龙世兵教授课题组两篇关于氧

芯城品牌采购网

7724

做嵌入式软件的朋友们也不要太高估了自己,虽然大家可以把硬件秀起来,但是你拯救不了“无药可救”的硬件。不要一头扎到代码的调试中,而是更多的分析现场和一些可能性的问题,先排查一些更加常见且易查的硬件问题,此时此刻示波器得秀起来~1电源问题对于电源问题引起的死机,在这么多年软件调试过程了至少有碰到过10次左右,特别是一些经验不是特别丰富的软件工程师们在开发的过程中很少去质疑硬件问题,所以一言不合就从嵌入

芯城品牌采购网

6436

迈入下行周期以来,各头部大厂纷纷使出浑身解数,求新求变。近日,英特尔CEO会见了三星高管,进一步讨论半导体合作事宜;Arm则引入了高通和英特尔前高管,以继续推进IPO,并且与供应链伙伴会面,为抓住未来新兴增长点加强交流。英特尔CEO会见三星高管,讨论半导体合作事宜外媒消息显示,近日,英特尔首席执行官PatGelsinger会见了三星电子设备解决方案(DS)部门总裁KyungKye-hyun和设备体

芯城品牌采购网

9092

近日,江苏省、湖北省各自公布了外贸进出口数据,其集成电路前11月出口额合计超2千亿元。江苏集成电路出口2303.1亿元12月12日,据南京海关数据,2022年1-11月,江苏省外贸进出口5万亿元,比去年同期(下同)增长6.7%,占同期我国进出口总值的13%。其中,出口3.19万亿元,增长9.6%;进口1.81万亿元,增长2%。从进出口地点上看,前11个月,江苏省对欧盟、东盟、美国、韩国、日本等主要

芯城品牌采购网

7762

助AI实现边缘计算的理想之选-FPGA-芯城品牌采购网

人类大脑之中有将近1000亿个神经元。虽然这是一个天文数字,但将这些神经元组织成网络的神经相连的数量是数万亿的数量级,而神经相连的数量明显影响大脑的能力。FPGA外部的互连性相似于人脑中的神经连接。FPGA中的可编程逻辑结构也以相似的方式互联,这就是为什么英特尔®FPGA是神经网络和其他人工智能工作负载构建的完美选择。在逻辑和线互连的层面之上,FPGA的位级动态可编程性就像一个敏捷的大脑,可变更注

芯城品牌采购网

8196

新冠疫情放开后数字医疗技术的提升-芯城品牌采购网

由于国内外新冠疫情的放开,患者增加,科技集成芯片公司也不断公布全新的芯片应用技术来拥护医疗。数字医疗技术行业的先锋创新者(包含ADI)已经将之下一代技术交付给供应商。这方面的一个例子是关键的迹象监测技术,如可穿戴设备和可穿戴设备。有了它们,即使病人返回医生的办公室,医生也可不受阻碍地再次获取数据。这使医生能取得可手动的见解,并使精确的诊断更难。ADI半导体公司数字医疗高级副总裁PatO'Doher

芯城品牌采购网

6761

DSP嵌入式技术的智能制动控制系统电路设计-芯城品牌采购网

基于DSP嵌入式技术的智能制动控制系统电路设计。在硬件电路设计之中,使用DSP芯片和周围电路组成速度收集电路。电机驱动控制器使用微控制芯片和周围电路构成电流取样、过流保障、压力调控等电路。使用CPLD构建了无刷斜流电机的转子位置。信号的逻辑换流。赛车制动控制器由防弯控制器和电机驱动控制器构成。两种控制器均基于DSP芯片。防滑控制器主要是以滑移率为控制对象,输入一个实数的制动压力。以DSP芯片为CP

芯城品牌采购网

7710

据无锡滨湖发布消息,12月11日,无锡光子芯谷创新中心(一期)开工仪式举行。这意味着我国首个集光子芯片前沿应用研究和产业化于一体的光子芯片中试线将扎根于无锡滨湖区。无锡光子芯谷创新中心项目由无锡滨湖区与上海交通大学携手共建,将以高端光子集成芯片的研发为核心,聚焦量子计算、光学人工智能与光通信前沿技术和产业化应用,打造全球光子芯片设计研发及产业化集聚区。按照规划,该创新中心占地面积约127亩,总建筑

芯城品牌采购网

7148

近日,第三代半导体氮化镓外延领军企业晶湛半导体宣布完成数亿元C轮融资,这是继今年3月完成B+轮数亿元战略融资以来的又一轮融资。本轮增资由蔚来资本、美团龙珠领投,华兴资本旗下华兴新经济基金、欣柯资本等跟投,老股东歌尔微电子、三七互娱等继续加码。近年来,氮化镓材料不仅在电力电子和新型显示等领域的应用呈现出爆发式增长。晶湛半导体长期专注于高质量GaN材料的研发和产业化,已建成国内规模领先的GaN外延材料

芯城品牌采购网

7965

如何用XilinxFPGA的Theano,Python,PYNQ和Zynq开发定点DeepRecurrent神经网络-芯城品牌采购网

基于XilinxFPGA构建水深递归神经网络语法建模。可编程语义(Prologis)是由标准化积体电路造成的。语义机能是根据使用者对装置的编译器来确认的。使用者可自行将字符装置编译器到Prologis之中。经过多年的转型,可编程语义元件已经从20世纪末70中期的可编程语义元件元件(Prologis)转型到目前具有数千万门的现场可编程元件语义(FPGA)。随着AI分析的飞速发展,FPGA并行性已在一

芯城品牌采购网

8094

半导体材料需求“水涨船高”,索尔维如何迎“难”而上?-芯城品牌采购网

近年来,面对持续的“芯片短缺”,同时,疫情下众多产业向数字化转型,下游汽车、电子、5G等多领域的旺盛需求,使芯片需求不断高涨,半导体材料的需求也“水涨船高”,行业生产迎来高难度挑战,看索尔维如何突破创新,迎“难”而上。挑战一芯片更小,工艺要求更精细出于物理极限和制造成本的原因,先进工艺技术让芯片的体积不断突破想象,从5纳米到3纳米,甚至2纳米时,有如半导体行业灯塔般的“摩尔定律”已然失效。工业界已

芯城品牌采购网

6614

智能控制如何降低能耗-芯城品牌采购网

越来越多的企业和个人正在寻找减少能源足迹和增加可再生资源使用的方法。我们应该关注哪里才能产生显着效果?世界上超过65%的电力用于为工业环境、商业建筑和个人家庭中的电机和电源提供动力。根据我们的数据世界,60%的电力来自燃烧煤炭和天然气,不到10%来自可再生能源。智能变频数字电机控制,能耗降低25%以上。智能数字电源控制可以最大限度地提高太阳能和风能的生产效率,并最大限度地降低超高耗能设备的功耗。在

芯城品牌采购网

6691

12月12日,盛美上海宣布推出拥有自主知识产权的UltraPmaxTM等离子体增强化学气相沉积(PECVD)设备,拓展了一个重要的全新产品分类。盛美上海预计将在几周内向中国的一家集成电路客户交付其首台PECVD设备。盛美上海首席执行官王坚表示,“UltraPmaxTMPECVD设备的推出,标志着我们在前道半导体应用中进一步扩展到了全新的工艺领域。我们有很多客户是28纳米及以上的逻辑器件供应商。我们

芯城品牌采购网

7494

据“衢州智造新城”消息,近日,衢州三时纪年产24000吨(一期12000吨)高端集成电路封装和5G通讯球硅填料用新型电子基材产业化项目开工仪式在智造新城高新片区举行。消息显示,该项目计划总投资10.8亿元,用地约114亩,达产后预计可实现年营业收入约20亿元。项目的实施不仅将进一步推动衢州集成电路产业的发展,还将打破高端球硅领域被国外企业长期垄断的局面,解决现有材料在5G通讯和先进封装中的技术缺陷

芯城品牌采购网

8104

MCU单片机的3种破解技术-芯城品牌采购网

MCU单片机的安全级别正在逐步提高,一些公司甚至发行了安全性主控。这是一个很糟糕的现象,解释嵌入式领域的信息安全性和程序安全性越来越受大家的重视。然而,对于许多特定行业,如消费者电子产品、高成本通信模块、电源控制模块等,由于成本压力和更换速度问题,不也许采用更安全性的主控MCU,而很大一部分产品甚至还在采用51单片机。大家也许都明白,破译51单片机是一件非常容易的事情,但是为什么难,如何破译,也许

芯城品牌采购网

7891

光伏电源电路的PCB布局-芯城品牌采购网

我在这个项目中的目标是创建一个非常简单,非常紧凑的电路,可以为基于微控制器的嵌入式系统供电。该电路仅在充足照明的时间内有效,因为该设计不包括用于存储剩余能量的电容器或电池。在本文中,我将从电源原理图中了解电路的PCB布局。光伏电源的PCB布局下图显示了PCB顶部和底部的布局。所有组件和大部分痕迹和铜浇注都在顶部;底部主要是地平面。PCB尺寸微控制器是SiliconLabs的EFM8SleepyBe

芯城品牌采购网

7974

车载电源线路用共模滤波器-芯城品牌采购网

DC输入滤波器电路基本构成DC输入滤波器电路的滤波构成受基板图案的接地方法很大影响,需要根据使之衰减的频带和噪声传播途径分别使用适当的部件。在EMI对策中,设计初期阶段最好采用能配置电感器(L)、电容器(C)、共模滤波器(CMF)的图案构成。滤波器构成示例正常(差分)模式噪声和共模噪声传导噪声有正常(差分)模式噪声和共模噪声两种。正常模式噪声发生在电路线路之间并逆相流动,共模噪声发生在电路线和接地

芯城品牌采购网

7079

MPS携新型ACDC电源解决方案迎接低碳新时代-芯城品牌采购网

低碳时代到来,引领小型化和高效率趋势开关电源在80年代替代线性电源之后,电源效率得到了极大的提升,尺寸也大大减少。随着开关电源在各个应用上的不断发展和消费者对便携性的要求,开关电源继续朝着小型化,轻量化的趋势发展。近年来,碳达峰、碳中和“3060”目标开启了低碳新时代,随着节能减排的要求越来越严,人们对环保节能低耗绿色提出了更高要求,对开关电源的能效标准也越来越严。比如,欧盟执委会最新的CoCV5

芯城品牌采购网

7502